Endereço:
No.233-3 Yangchenghu Road, Parque Industrial Xixiashu, distrito de Xinbei, cidade de Changzhou, província de Jiangsu
• A fresa universal é adequada para tratamento térmico de todas as séries de materiais de aço. Possui design de estrutura com ranhura em U e é adequado tanto para desbaste quanto para acabamento.
• Também é adequado para o processamento de materiais que não sejam aço e alumínio. Possui uma gama completa de especificações e modelos e uma ampla gama de utilizações.
| Não. | Diâmetro D | Ângulo R R | Comprimento da Flauta euc | Comprimento total L | Diâmetro da haste d | Contagem de lâminas F |
| NNC-2R-D1-R0.2 | 1 | 0.2 | 3 | 50 | 4 | 2 |
| NNC-2R-D1-R0.2 | 1 | 0.2 | 3 | 50 | 6 | 2 |
| NNC-2R-D1.5-R0.2 | 1.5 | 0.2 | 4 | 50 | 4 | 2 |
| NNC-2R-D1.5-R0.2 | 1.5 | 0.2 | 4 | 50 | 6 | 2 |
| NNC-2R-D2-R0.2 | 2 | 0.2 | 6 | 50 | 4 | 2 |
| NNC-2R-D2-R0.2 | 2 | 0.2 | 6 | 50 | 6 | 2 |
| NNC-2R-D2-R0.5 | 2 | 0.5 | 6 | 50 | 4 | 2 |
| NNC-2R-D2-R0.5 | 2 | 0.5 | 6 | 50 | 6 | 2 |
| NNC-2R-D3-R0.2 | 3 | 0.2 | 8 | 50 | 3 | 2 |
| NNC-2R-D3-R0.2 | 3 | 0.2 | 8 | 50 | 4 | 2 |
| NNC-2R-D3-R0.2 | 3 | 0.2 | 8 | 50 | 6 | 2 |
| NNC-2R-D3-R0.5 | 3 | 0.5 | 8 | 50 | 3 | 2 |
| NNC-2R-D3-R0.5 | 3 | 0.5 | 8 | 50 | 4 | 2 |
| NNC-2R-D3-R0.5 | 3 | 0.5 | 8 | 50 | 6 | 2 |
| NNC-2R-D4-R0.2 | 4 | 0.2 | 10 | 50 | 4 | 2 |
| NNC-2R-D4-R0.2 | 4 | 0.2 | 10 | 50 | 6 | 2 |
| NNC-2R-D4-R0.5 | 4 | 0.5 | 10 | 50 | 4 | 2 |
| NNC-2R-D4-R0.5 | 4 | 0.5 | 10 | 50 | 6 | 2 |
| NNC-2R-D4-R1 | 4 | 1 | 10 | 50 | 4 | 2 |
| NNC-2R-D4-R1 | 4 | 1 | 10 | 50 | 6 | 2 |
| NNC-2R-D5-R0.5 | 5 | 0.5 | 13 | 50 | 5 | 2 |
| NNC-2R-D5-R0.5 | 5 | 0.5 | 13 | 50 | 6 | 2 |
| NNC-2R-D5-R1 | 5 | 1 | 13 | 50 | 5 | 2 |
| NNC-2R-D5-R1 | 5 | 1 | 13 | 50 | 6 | 2 |
| NNC-2R-D6-R0.2 | 6 | 0.2 | 16 | 50 | 6 | 2 |
| NNC-2R-D6-R0.5 | 6 | 0.5 | 16 | 50 | 6 | 2 |
| NNC-2R-D6-R1 | 6 | 1 | 16 | 50 | 6 | 2 |
| NNC-2R-D8-R0.2 | 8 | 0.2 | 20 | 60 | 8 | 2 |
| NNC-2R-D8-R0.3 | 8 | 0.3 | 20 | 60 | 8 | 2 |
| NNC-2R-D8-R0.5 | 8 | 0.5 | 20 | 60 | 8 | 2 |
| NNC-2R-D8-R1 | 8 | 1 | 20 | 60 | 8 | 2 |
| NNC-2R-D10-R0.2 | 10 | 0.2 | 25 | 75 | 10 | 2 |
| NNC-2R-D10-R0.3 | 10 | 0.3 | 25 | 75 | 10 | 2 |
| NNC-2R-D10-R0.5 | 10 | 0.5 | 25 | 75 | 10 | 2 |
| NNC-2R-D10-R1 | 10 | 1 | 25 | 75 | 10 | 2 |
| NNC-2R-D10-R1.5 | 10 | 1.5 | 25 | 75 | 10 | 2 |
| NNC-2R-D10-R2 | 10 | 2 | 25 | 75 | 10 | 2 |
| NNC-2R-D12-R0.5 | 12 | 0.5 | 30 | 75 | 12 | 2 |
| NNC-2R-D12-R1 | 12 | 1 | 30 | 75 | 12 | 2 |
| NNC-2R-D12-R2 | 12 | 2 | 30 | 75 | 12 | 2 |
| NNC-2R-D12-R3 | 12 | 3 | 30 | 75 | 12 | 2 |
| NNC-2R-D16-R1 | 16 | 1 | 45 | 100 | 16 | 2 |
| NNC-2R-D16-R2 | 16 | 2 | 45 | 100 | 16 | 2 |
| NNC-2R-D16-R3 | 16 | 3 | 45 | 100 | 16 | 2 |
| NNC-2R-D20-R1 | 20 | 1 | 50 | 100 | 20 | 2 |
| NNC-2R-D20-R2 | 20 | 2 | 50 | 100 | 20 | 2 |
| NNC-2R-D20-R3 | 20 | 3 | 50 | 100 | 20 | 2 |
| Materiais Processados | Ferro Fundido Ferro Fundido Nodular | Aço carbono, liga de aço ~750N/mm² | Aço carbono, liga de aço ~30HRC | Aço pré-endurecido, aço temperado e temperado ~40HRC | Aço inoxidável | Aço pré-endurecido, aço temperado e temperado ~50HRC | ||||||
| Diâmetro (mm) | Velocidade rotacional (mínimo -1 ) | Velocidade de alimentação (mm/min) | Velocidade rotacional (mínimo -1 ) | Velocidade de alimentação (mm/min) | Velocidade rotacional (mínimo -1 ) | Velocidade de alimentação (mm/min) | Velocidade rotacional (mínimo -1 ) | Velocidade de alimentação (mm/min) | Velocidade rotacional (mínimo -1 ) | Velocidade de alimentação (mm/min) | Velocidade rotacional (mínimo -1 ) | Velocidade de alimentação (mm/min) |
| 1 | 20000 | 200 | 20000 | 200 | 20000 | 160 | 20000 | 160 | 20000 | 60 | 20000 | 120 |
| 2 | 15000 | 320 | 15000 | 320 | 15000 | 290 | 15000 | 280 | 11150 | 84 | 13000 | 180 |
| 3 | 14000 | 545 | 14000 | 545 | 13000 | 510 | 10600 | 420 | 7500 | 120 | 8500 | 330 |
| 4 | 10800 | 560 | 10800 | 560 | 10000 | 520 | 8000 | 430 | 5500 | 130 | 6500 | 335 |
| 5 | 8200 | 580 | 8200 | 580 | 7600 | 540 | 6400 | 450 | 4500 | 130 | 5000 | 355 |
| 6 | 7000 | 600 | 7000 | 600 | 6400 | 550 | 5300 | 460 | 3700 | 140 | 4200 | 360 |
| 8 | 5200 | 600 | 5200 | 600 | 4800 | 550 | 4000 | 460 | 2800 | 140 | 3200 | 365 |
| 10 | 4200 | 580 | 4200 | 580 | 3800 | 540 | 3200 | 445 | 2200 | 140 | 2500 | 350 |
| 12 | 3500 | 580 | 3500 | 580 | 3200 | 540 | 2650 | 445 | 1850 | 140 | 2100 | 350 |
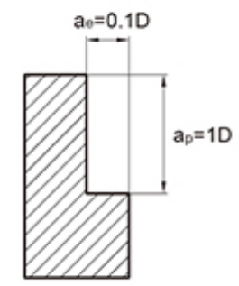
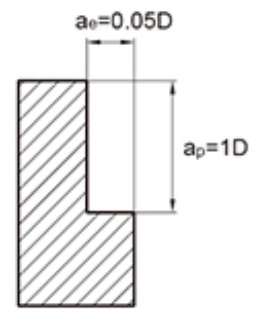
| Profundidade Máxima de Corte | | | ||||||||||
| Diâmetro da ferramenta | Profundidade de corte | | |||||||||
∅1| 0,15D | | |||||||||||
∅3| 0,3D | | |||||||||||
1. A tabela acima mostra os valores padrão para usinagem de fresamento lateral. Ao cortar ranhuras com a ferramenta, a velocidade deve ser de 50% ~ 70% da tabela acima e a taxa de avanço deve ser de 40% ~ 60% como valor padrão.
2. Use máquinas-ferramentas e porta-ferramentas de alta precisão.
3. Use resfriamento de ar ou fluido de corte com menor probabilidade de produzir fumaça.
4. Recomenda-se usar fresamento sequencial para fresamento lateral.
Quando a rigidez da máquina-ferramenta e da instalação da peça de trabalho é fraca, podem ocorrer vibrações e sons anormais. Neste caso, a velocidade e o avanço indicados na tabela acima deverão ser reduzidos ano após ano.
6. Minimize o comprimento do balanço da ferramenta tanto quanto possível sem interferência.
| Série de ferramentas | Diâmetro | Raio | Raio de canto | Comprimento da Flauta | Comprimento Efetivo | Comprimento total | Diâmetro da haste | |||
| D | R | CR | euc | L1 | L | d | ||||
| Fresas universais de metal duro NNC | D0.1~D0.9 | 0 -0,005 | R0,05~R2 | /-0,005 | CR0,05~CR0,5 | /-0,005 | 0 0.2 | 0 0.3 | 0 0.5 | h5 |
| D1.0~D4.0 | 0 -0,008 | 0 0.3 | 0 0.5 | |||||||
| D1,0~D3,5 | 0 -0,008 | R0,5~R1,75 | /-0,005 | CR0,1~CR0,5 | /-0,005 | 0 0.3 | 0 0.5 | 0 0.5 | h6 | |
| D4,0~D11,0 | 0 -0,012 | R2,0~R5,0 | /-0,008 | CR1,0~CR3,0 | /-0,008 | 0 0.5 | ||||
| D12,0~D20,0 | 0 -0,015 | R6,0~R10,0 | /-0,01 | |||||||
As fresas de topo de ponta redonda de 2 canais NNC-2R oferecem uma variedade de combinações de diâmetro e raio para atender a diferentes requisitos de usinagem. Por exemplo, submodelos como NNC-2R-D1-R0.2 e NNC-2R-D1.5-R0.5 são ideais para corte preciso em espaços apertados ou em peças menores, enquanto tamanhos maiores como NNC-2R-D4-R2 e NNC-2R-D6-R3 são ideais para aplicações de alto volume ou cavidades profundas. A ampla gama de especificações permite aos usuários equilibrar o comprimento da ferramenta, o diâmetro de corte e o raio da ponta da ferramenta para obter os melhores resultados para diferentes condições da peça.
A série adota geometria de ponta redonda para reduzir efetivamente a concentração de tensão na ponta da ferramenta e otimizar os caminhos de corte, melhorando assim a eficiência da usinagem. O design de aresta dupla melhora o escoamento de cavacos no fresamento lateral, mantendo excelente acabamento superficial e estabilidade ao usinar curvas e contornos complexos. A aresta de corte curva ajuda a minimizar trepidações e garante excelente qualidade de superfície mesmo sob condições de alto avanço e alta velocidade.
As fresas de topo de ponta redonda de 2 canais NNC-2R apresentam uma matriz de grãos finos resistente e sem lascas (0,6μm) que é retificada por CNC de precisão para fornecer qualidade consistente e alta resistência ao desgaste. A tecnologia avançada de revestimento reduz os coeficientes de atrito e reduz o acúmulo de calor, prolongando a vida útil da ferramenta.
Essas fresas de topo são adequadas para operações de semiacabamento e acabamento em materiais comuns, como aço, aço inoxidável, ligas de alumínio e ligas de cobre, ao mesmo tempo em que são capazes de lidar com materiais mais duros, como aço endurecido e aço de matriz.
Fundação da empresa
Funcionários

A Changzhou Maton Tools Co., Ltd. está localizada na região economicamente desenvolvida do Delta do Rio Yangtze. A fábrica está localizada na Zona de Desenvolvimento de Alta Tecnologia de Xixiashu, uma conhecida cidade de ferramentas na China. Somos Fresas de ponta redonda de 2 flautas Fabricantes.
A Magotantools adota o sistema de qualidade ISO9001 como padrão, sob a orientação da filosofia empresarial de "zero defeito nos produtos" e "zero distância no serviço", com base no espírito de "integridade", "união" e "exploração", e segue um estilo de gestão empresarial justo e equitativo. A produção de produtos adota centros de usinagem e retificação CNC de cinco e seis eixos da Alemanha, Suíça, Japão, etc., e está equipada com equipamentos de teste de alta precisão da Alemanha, Japão e China, a fim de atender às necessidades de produção com alta qualidade e quantidade.
A empresa desenvolve continuamente várias ferramentas CNC de alto desempenho e ganhou vários prêmios nacionais. Profissional Fresas de ponta redonda de 2 flautas EmpresaCom mais de 10 patentes, os produtos da empresa são utilizados principalmente na indústria de defesa, indústria aeroespacial, indústria automotiva, produtos eletrônicos e moldes, entre outros campos.
Os diversos produtos da empresa são reconhecidos e preferidos por empresas nacionais renomadas. Com tecnologia ilimitada, criação infinita e busca pela excelência, a Magotan Tools escreverá a prosperidade e os sonhos do futuro com ainda mais confiança e qualidade superior.
Responderemos em até 12 horas após o recebimento da consulta em dias úteis.
Somos fabricantes, produzimos e vendemos nossos próprios produtos.
Produzimos principalmente fresas de aço de tungstênio, brocas e outras ferramentas de metal duro. Profissional Fresas de ponta redonda de 2 flautas Fabricantes.
Nossos produtos abrangem quase toda a indústria de moldes, indústria de defesa, indústria aeroespacial, indústria automotiva, produtos eletrônicos e outros campos.
Sim, nosso foco principal são produtos personalizados. Desenvolvemos e produzimos produtos com base nos desenhos ou amostras fornecidos pelos clientes. Personalizado Fresas de ponta redonda de 2 flautas.
Temos mais de 30 unidades de máquinas WALTER da Alemanha, Makino do Japão, ROLLMATIC da Suíça e TTB da Suíça, com um valor de produção anual de 80 milhões de RMB. Somos Fresas de ponta redonda de 2 flautas Empresa
Primeiramente, após cada processo, realizamos as inspeções correspondentes. Para o produto final, realizaremos uma inspeção completa de 100% de acordo com os requisitos do cliente e os padrões internacionais;
Além disso, possuímos equipamentos de teste de ponta avançados e completos no setor, como analisadores espectrais, microscópios metalográficos, etc., que podem garantir a estabilidade e a consistência das ferramentas de corte, atendendo aos requisitos de teste de alta precisão dos clientes para ferramentas de corte.
Ao fazer o orçamento, confirmaremos com você o método de transação, FOB, CIF, CNF ou outras opções. Na produção em massa, geralmente fazemos um pagamento antecipado de 30% e o restante é pago mediante apresentação do conhecimento de embarque. Usamos principalmente T/T como método de pagamento, mas L/C também é aceitável.